找回密码
 立即注册
搜索
楼主: 泰烽模具

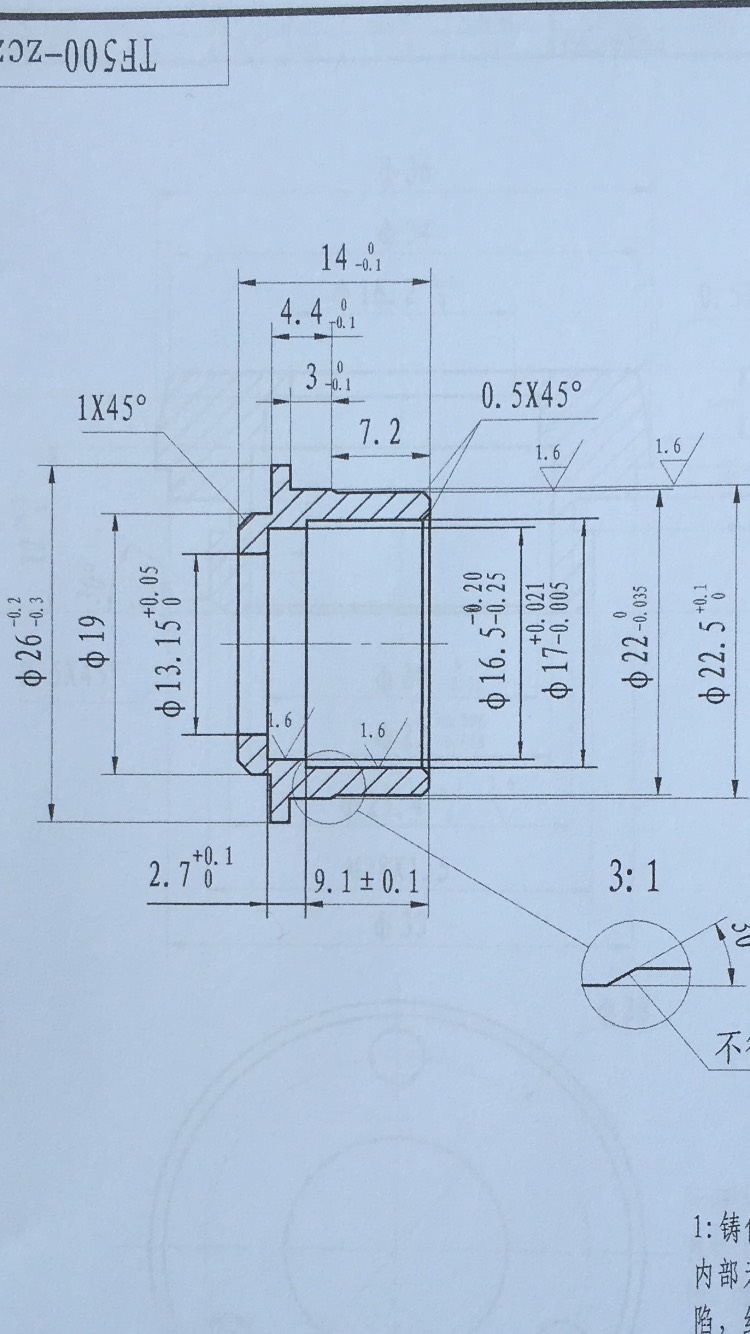
[讨论] 锌合金无拔模斜度的孔成型问题

  [复制链接]

670

学分

232

回帖

28

主题

初中二年级

金币
844
积分
670
发表于 2016-10-4 14:21:18 | 显示全部楼层
感觉还是冷却水不到位
来自安卓客户端来自安卓客户端
棋盘人生 步步为营
回复 支持 反对

使用道具 举报

989

学分

239

回帖

81

主题

管理员

金币
1591
积分
989

论坛元老

发表于 2016-10-4 15:29:42 | 显示全部楼层
泰烽模具 发表于 2016-10-4 04:08
冷却水做个,发现效果并不好!

效果不好是怎么个不好 如果你冷却水开三档情况都一样说明你的冷却水肯定有问题 没达到冷却水的作用
来自苹果客户端来自苹果客户端
回复 支持 反对

使用道具 举报

155

学分

63

回帖

4

主题

小学二年级

金币
250
积分
155
发表于 2016-10-4 19:39:12 | 显示全部楼层
孔能否做机加!
来自苹果客户端来自苹果客户端
回复 支持 反对

使用道具 举报

204

学分

41

回帖

16

主题

小学二年级

金币
376
积分
204
 楼主| 发表于 2016-10-4 20:05:06 | 显示全部楼层
cms 发表于 2016-10-4 15:29
效果不好是怎么个不好 如果你冷却水开三档情况都一样说明你的冷却水肯定有问题 没达到冷却水的作用
...

平均臂厚只有1.5,芯子温度是否很难 达到锌合金标准模温180-200度!冷却做了内表面还有冷花?

200506mi923jya8a7y77i6.jpg
来自安卓客户端来自安卓客户端
真水无香
回复 支持 反对

使用道具 举报

1

学分

1

回帖

0

主题

幼儿园小班

金币
5
积分
1
发表于 2016-10-4 22:56:34 | 显示全部楼层
大于3度,绝对不能是3度
来自苹果客户端来自苹果客户端
回复 支持 反对

使用道具 举报

1

学分

1

回帖

0

主题

幼儿园小班

金币
3
积分
1
发表于 2016-10-5 08:23:33 | 显示全部楼层
没看到什么样的的不好判断,是否可以带芯子顶出来减少包力
来自苹果客户端来自苹果客户端
回复 支持 反对

使用道具 举报

1

学分

1

回帖

0

主题

幼儿园小班

金币
3
积分
1
发表于 2016-10-5 15:06:53 | 显示全部楼层
其实还是脱模剂的问题!试一下油性的!多试几家并把问题点告之供应商!我又试过多家客户碰到这个问题最终换脱模剂就
来自苹果客户端来自苹果客户端
回复 支持 反对

使用道具 举报

989

学分

239

回帖

81

主题

管理员

金币
1591
积分
989

论坛元老

发表于 2016-10-6 06:36:16 | 显示全部楼层
泰烽模具 发表于 2016-10-4 20:05
平均臂厚只有1.5,芯子温度是否很难 达到锌合金标准模温180-200度!冷却做了内表面还有冷花?

如果是不开冷却水都有水纹就不用了 如果没有可以把冷却求流量慢慢调大实验
来自苹果客户端来自苹果客户端
回复 支持 反对

使用道具 举报

636

学分

37

回帖

1

主题

初中二年级

金币
1240
积分
636
QQ
发表于 2016-10-7 03:09:03 | 显示全部楼层
浇口冲料啊?!!怎么不拉整圆,只有一边呢??模具进料有对型肖对冲突出现的情况。改进进料对肖子的对冲。就没有这个情况了。。。
来自苹果客户端来自苹果客户端
模具设计与制造,13454789997
回复 支持 反对

使用道具 举报

204

学分

41

回帖

16

主题

小学二年级

金币
376
积分
204
 楼主| 发表于 2016-10-7 20:07:04 | 显示全部楼层
18621506662 发表于 2016-10-7 03:09
浇口冲料啊?!!怎么不拉整圆,只有一边呢??模具进料有对型肖对冲突出现的情况。改进进料对肖子的对冲。 ...

整圈是否会把气全部往中裹!
来自安卓客户端来自安卓客户端
真水无香
回复 支持 反对

使用道具 举报

您需要登录后才可以回帖 登录 | 立即注册

本版积分规则

手机版|小黑屋|中铸之家 ( 浙ICP备15041839号-1 )

GMT+8, 2025-12-3 10:26 , Processed in 0.348661 second(s), 44 queries .

Powered by Discuz! X3.5

© 2001-2025 Discuz! Team.

快速回复 返回顶部 返回列表